一 污泥濃度計HY-TSTR500概述
懸浮物污泥濃度計HY-TSTR500(以下簡稱儀表)是帶微處理器的水質在線監測儀。懸浮物(污泥)濃度計是為測量市政污水、工業廢水處理過程、自來水廠等進、出水懸浮濃度而設計的工業在線監測儀表。
二 結構特征和工作原理
2.1結構特征
整套測量系統主要由儀表(二次儀表)和懸浮物(污泥)濃度傳感器(一次表)兩部分組成,傳感器接觸被測水溶液,儀表顯示水溶液的濃度值和溫度值及工作狀態。
2.2工作原理
紅外傳感器發射器發送的光波在傳輸過程中經過被測物的吸收、反射和散射后僅有一小部分光線能照射到接收器上,透射光的透射率與被測懸浮物的濃度成比例關系,通過測量透射光的透射率計算懸浮物污泥的濃度。

2.3產品應用
廣泛應用于自來水廠、發電廠、污水處理廠、制藥廠、醫院,對各種水樣的濃度做精確測量。給水廠(沉淀池)、造紙廠(紙漿濃度)、洗煤廠(沉淀池)、電力(灰漿沉淀池)、污水處理廠(進出水口、曝氣池、回流污泥、初沉池、二沉池、濃縮池、污泥脫水)
三 技術參數
1.測量范圍:0~5000mg/L;0~50g/L或根據要求擴展;
2.顯示方式:LCD
3.測量單位:mg/L、g/L(根據量程自動切換)
4.分 辨 率:0.01mg/L、0.1g/L
5.基本誤差:±1.0%F.S
6.模擬輸出:0~20mA(負載電阻<1.5KΩ);4~20mA(負載電阻<750Ω);
7.三路繼電器控制觸點:3A 240VAC,3A 28VDC或120VAC
8.供電電源(選配):85~265VAC±10%,50±1Hz,功率≤3W;
9~36VDC,功率:≤3W;
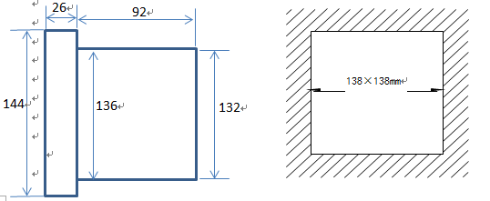
9.外形尺寸:144*144*118mm;
10.安裝方式:盤裝(嵌入式)/墻掛; 開孔尺寸 :138×138mm;
11.儀表工作環境:環境溫度:-10~60℃;相對濕度:不大于90%;
除地球磁場外周圍無強磁場干擾。
四 功能特性
§ 全智能、多功能、測量性能高,環境適應性強;
§ 多參數同時顯示,濃度值、輸出電流、時間、繼電器狀態;
§ 兩路4-20mA輸出、繼電器高、低報警控制輸出、清洗輸出、RS485通訊輸出
等各種變量輸出;RS232上傳功能;
§ 清洗維護非常簡單,三個月校正一次;
§ 采用四點校正法,保證測量準確度;
§ 中/英文菜單可選;
§ 自設密碼:用戶可以自設或修改密碼,以免無關人員進入造成誤操作;
五 安裝與電氣連接
儀表應選擇安裝在室內或有防護裝置的位置,周圍不得放置易燃易爆物品。儀表安裝位置應選擇便于用戶及安裝維護人員閱讀儀表銘牌、屏幕信息,便于使用、維護及檢修的地方。
所有電力和管道連接必須符合國家和地方標準。儀表電源前端必須安裝絕緣開關或者電路切斷開關。
為了安全和避免外部信號對儀器造成干擾,儀表電源線應接在相應規格、帶有地線標志、符合電器標準的插座內,且地線須確保良好接地。
5.1儀表安裝
儀表可上盤嵌入安裝或壁掛式安裝,盤裝開孔見圖一,開孔尺寸為 138×138mm。將儀表嵌入方孔中,用配置的支架固定即可。壁掛式可根據配置壁掛式配件安裝或按照圖一尺寸開孔固定。


5.2傳感器安裝注意事項
將傳感器安裝在恰當位置,以保證獲得具有代表性的測量結果。將傳感器安裝在易于觸及的位置,以方便對傳感器進行定期清潔維護。應避免將傳感器安裝在產生氣泡聚集的位置,以防止干擾信號的產生。將傳感器安裝在有代表性、良好的取樣點附近。

5.3儀表內接線

接線端子說明:
1、V+(藍)傳感器信號線 2、V-(黃)傳感器信號線
3、A2(灰)傳感器信號線 4、B2(黑)傳感器信號線
5、P+ 直流供電正極 6、P- 直流供電負極(選配)
7、L 交流供電火線 8、N 交流供電零線(選配)
9、繼電器一 控制開關 10、繼電器二 控制開關
11、繼電器三 控制開關可設置為清洗開關
12、IO1 模擬信號第一路輸出+ 13、IO2 模擬信號第二路輸出+
14、COM 模擬信號兩路輸出公共端
15、A1 B1 數字信號RS485接線端
16、RX TX G 數字信號RS232接線端
5.4電氣連接:
儀表與傳感器的連接:供電電源、輸出信號、繼電器報警觸點及傳感器與儀表的連接均在儀表內部,按圖三接線。電極固定的電纜線引線長度常規為5-10米,將傳感器上相應標號或顏色的線插入儀表內部相符的接線端擰緊插入即可


其中第一行左上為年月日,右上為時分秒;第二行為主測顯示值;第三行左下為溫度,右下為I1電流輸出值;使用向上下鍵可以切換為:I2電流輸出值及清洗狀態或R1繼電器狀態,R2繼電器狀態;
7.2主菜單:

7.3子菜單:
在測量前應根據實際情況對主菜單參數進行設定或修改,否則按儀表中已有的設定值進行測量。當黑色底紋在某“參數”菜單下時按“ENTER”鍵輸入密碼后(初始狀態沒有密碼)再按“ENTER”進入多項子菜單。進入該菜單后,將黑色底紋指示在當前的參數項,根據所選參數上下移動光標后,按下“ENTER”鍵進入該參數項可進行設定或修改。
背光對比度調節方法:當儀表在主顯示時,長按“ENTER”鍵,然后按向左調淡顯示文字,或按向右鍵調深顯示文字。
7.4參數說明:
1)“校準設置”:用于校準傳感器主測數值和溫度數值。
2)“警報設置”:用于設置三組繼電器數值及清洗時間。
3)“電流設置”:用于設置兩組輸出電流對應項、輸出類型及輸出對應值。
有0-20mA及4-20mA可選
4)“系統設置”:系統文字、時間設置、顯示設置(量程、顯示速率、背光)、
版本信息、密碼設置、產品序號。
5)“通訊設置”:用于設置RS485通訊項。
6)“歷史記錄”:用于查看記錄數據及設定記錄點(只記錄主測值)。
7)“測試維護”:電流校準、繼電器測試、恢復出廠設置、恢復出廠標定。

使用上、下鍵設置濃度數據,使用向左鍵設置小數點位置,使用向右鍵變化
光標位置,校準完成后按“ENTER”鍵完成校準,按“MENU”退出校準。
7.5.2 動態修正:將實驗室或便攜式儀器化驗出的數據與儀器測量數據做對比,
如有誤差可通過此功能修改誤差數據。

使用上、下鍵設置濃度數據或+-,使用向左鍵設置小數點位置,使用向右鍵變化光標位置,校準完成后按“ENTER”鍵完成修正,按“MENU”退出校準。


使用上、下鍵設置濃度數據,使用向左鍵設置小數點位置,使用向右鍵變化光標位置,校準完成后按“ENTER”鍵完成校準,按“MENU”退出校準。



7.6.6 關時間:此項設置清洗繼電器的關閉時間長度,如設置5Min,則繼電器控制開關在上一次打開關閉到下次打開時的間隔時間為5分鐘。









八 日常維護
變送器維護
變送器根據使用的要求,安裝位置和工作情況比較復雜,為了使變送器正常工作,維護人員需要對變送器進行定期維護,維護時請注意如下事項:
1、安裝在室外請檢查變送器安裝箱體是否有漏水等現象;
2、檢查變送器的工作環境,如果溫度超出變送器的工作額定范圍,請采取相應
措施,否則變送器可能損壞或降低使用壽命;
3、清潔變送器的塑料外殼時,請使用軟布和柔和的清潔劑清潔外殼,注意不要
讓濕氣進入變送器內部;
4、檢查變送器顯示數據是否正常;
5、檢查變送器接線端子上的接線是否牢固,注意在拆卸接線蓋前應先將交流電
源斷開。








