產品特點/Product features-----------------------------------------------------------◆◆
概述
壓力變送器是一款高精度、高穩定性、現場設定、LCD顯示的智能壓力測量產品,
可選配HART協議功能。用戶可通過上位機對參數進行管理或校準,亦可使用按鍵進行現場校準,
操作方便。
產品采用傳感器領域的最新數字技術,結合先進的壓力變送器設計制造技術,精密數字化溫度補
償和非性性修正技術,安全可靠的本安電路設計和標準化的信號輸出,測量精度高,量程覆蓋范
圍寬,適用于需要對流體壓力進行精密測量的場所。
產品為兩線制方式工作,可直接替代模擬兩線制4~20mA輸出變送器。
技術參數/Technical parameters-------------------------------------------------------◆◆
技術參數 ??
| ■ 4~20mA電流輸出可選HART協議功能; ■ 采用數字寬溫度補償及非線性修正技術; ■ 具有現場零點、量程調校功能; ■ 現場可按鍵操作、方便組態; ■ 滿足Exia II CT6本安要求。 | |
| ■ 液壓及氣動控制; ■ 石化、環保、空氣壓縮; ■ 化學制品和化學工業; ■ 輕工、冶金、機械; ■ 其它工業自動化過程控制與檢測系統。 | |
| 壓力類型 | 表壓、絕壓 |
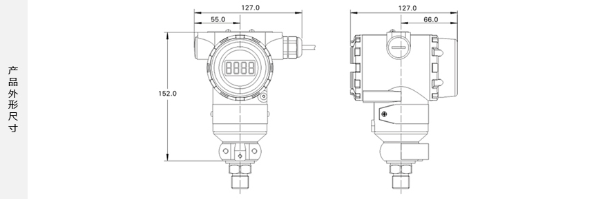
產品外形尺寸/Product dimensions-----------------------------------------------------◆◆
外形尺寸
接線指南/Wiring guide-----------------------------------------------------------------◆◆








